管环
我们生产由板制成的管环,尺寸和公差符合 EN 1092-1 (Din 2642) 或搭接法兰符合 ASME B16.5。
在管道系统中,短端是用于连接不同材料和尺寸管道的关键部件。它提供了一种方便且经济高效的解决方案,无需焊接即可实现无泄漏接头。在本文中,我们将探讨短端的几何形状、类型和应用,阐明它们在各个行业和项目中的重要性。 短管端,本质上是一根短长度的管道,其一端向外张开,另一端准备焊接到具有相同公称管道尺寸 (NPS)、材料和相似壁厚的管道上。搭接法兰,它是一种环形背衬法兰,其几何形状与滑套法兰非常相似。 短端是由两个部件组成的机械接头。 这种类型的法兰连接也称为“Van Stone”或“Vanstone 喇叭圈”,但这是一个历史术语,很少在技术或商业上使用。 对于带喷漆的碳钢法兰的包装,我们会使用气泡膜来保护喷漆。对于未喷漆或长期运输上油的法兰,我们建议客户使用防锈纸和塑料袋以防止生锈。 短端和搭接法兰可以按照以下过程组装: 它还可以与具有兼容螺栓尺寸的预制板法兰配合。 双相短端和双相搭接接头,您可以有双相短端和碳钢搭接法兰。 或者你可以有不锈钢短端和碳钢搭接法兰。还有其他双金属组合可以产生商业上更便宜的法兰组件。 近年来,双相/不锈钢和碳钢之间的价格差异已经缩小,这种做法在大型项目上变得不那么普遍,但成本差异始终存在(NPS 越高,管道/管道系统的长度越高,节省的成本就越高)。另一方面,单个部件(即对焊法兰)的仓储成本比搭接头和短端的仓储成本需要更少的货架空间。最终用户和承包商应考虑所有这些因素,确定使用短端的实际便利性,一般来说,商业优势仍然有效,并且可能适合某些情况,特别是在“棕地”改造中。 订购存根端时应提供以下信息: 短端可以订购不同的端部表面处理:Stu 折弯几何形状
不适用 输出直径 高(F) 短端外径(G) 斜角收音机(R) NPS的 DN 从 女士 ANSI 标称&最大值 标称&min 最大值 B 最大值 1/2 15 21.3 50.8 76.2 35 34 3 0.8 3/4 20 26.7 50.8 76.2 43 42 3 0.8 1 25 33.4 50.8 101.6 51 50 3 0.8 1 1/4 32 42.4 50.8 101.6 64 63 4.8 0.8 1 1/2 40 48.3 50.8 101.6 73 72 6.4 0.8 2 50 60.3 63.5 152.4 92 91 7.9 0.8 2 1/2 65 73 63.5 152.4 105 104 7.9 0.8 3 80 88.9 63.5 152.4 127 126 9.6 0.8 3 1/2 90 101.6 76.2 152.4 140 139 9.6 0.8 4 100 114.3 76.2 152.4 157 156 11.2 0.8 5 125 141.3 76.2 203.2 186 185 11.2 1.6 6 150 168.3 88.9 203.2 216 215 12.7 1.6 8 200 219.1 101.6 203.2 270 269 12.7 1.6 10 250 273.1 127 254 324 322 12.7 1.6 12 300 323.9 152.4 254 381 379 12.7 1.6 14 350 355.6 152.4 304.8 413 411 12.7 1.6 16 400 406.4 152.4 304.8 470 468 12.7 1.6 18 450 457.2 152.4 304.8 533 531 12.7 1.6 20 500 508 152.4 304.8 584 582 12.7 1.6 22 550 559 152.4 304.8 641 639 12.7 1.6 24 600 610 152.4 304.8 692 690 12.7 1.6 短端组件

这意味着,而不是

如何订购存根末端
短端饰面
短端以三种不同的方式提供,A、B 和 C 型。A 型和 B 型短端类似于锻造配件,例如弯头和三通,C 型短端采用定制尺寸。

短端有三种不同的类型和两种标准长度。
“A”型:这种类型是为适合搭接法兰而生产和加工的。短端和搭接法兰的配合面具有匹配的轮廓和表面。A型短管端部搭接厚度为>=所连接管道的最小壁厚。短端和搭接法兰的外侧具有匹配的轮廓和表面。A型短管端部搭接厚度为>=所连接管道的最小壁厚。A 型的外角具有容纳搭接法兰的半径,而内角是方形的。
“B”型:这种类型的短端适用于用作搭接法兰的标准滑套法兰。B型短端的搭接厚度为>=连接管的最小WT。这些类型的短端的搭接通常具有锯齿状面。为确保紧密连接,需要在法兰的内径侧进行倒角。
“C”型:最后一种类型既可以与搭接法兰一起使用,也可以与滑套背衬法兰一起使用,并且由管道制成。C 型短端的搭接呈扩口状,搭接厚度为连接管 WT 的 75%。C 型具有较短的圆角外半径,能够容纳任何备用法兰。
“CS”型:这种类型与“C”类似,不同之处在于搭接面在制造过程中加工了同心锯齿。
管道系统中常用的短端主要有两种类型:
长花型和短花型短端均有多种材料可供选择,例如不锈钢、碳钢、合金钢等,使其适合不同的工业应用。它们为将管道连接到管道系统中的法兰提供了经济高效且可靠的解决方案。
ASME B16.9 – 对焊管件和 MSS-SP-43(JIS B2312、JIS B2313 也可能适用)涵盖了尺寸和制造公差。
短端有三种标准长度,MSS SP43 或 ANSI B16.9 短型和长型。短花型短端主要用于300级至600级及以上的法兰。除了这些标准类型外,最终用户和承包商还可以要求具有非标准长度的短端,以满足特定项目的要求。这当然需要额外付费。
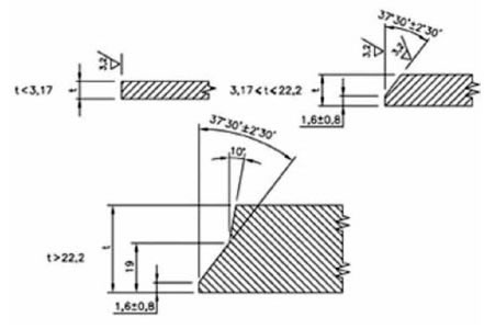
ASME B16.25 端焊坡口,如右
可以订购以下类型的端:
斜端(通常为 ASME B16.25)、
方端、
法兰端
、Victaulic 凹槽、
螺纹端(仅限外螺纹)
对配件进行目视检查,以检查任何表面缺陷。检查管件主体和焊缝是否有任何可见的表面缺陷,例如凹痕、模痕、孔隙、底切等。根据适用标准进行验收。从仓库到您身边,我们既要速度更要靠谱!全程追踪物流、品质护货不马虎,每一次交付都较真 “说到做到”,让客户更快 更满意的拿到心仪货品
对于带喷漆的碳钢法兰的包装,我们会使用气泡膜来保护喷漆。对于未喷漆或长期运输上油的法兰,我们建议客户使用防锈纸和塑料袋以防止生锈。后期我们会根据客户的要求和实际情况 细致包装 保证客户收到完整的产品
我们的响应式服务确保时效,专业团队精准把握您的需求,以白手套级服务标准为您快速配齐所需材料。