不锈钢短端是一种由不锈钢制成的配件,通常用于管道系统中连接管道或法兰。
它提供平滑的搭接连接,通常在需要旋转支撑法兰时使用。短端焊接到管道或法兰上,而另一端保持平坦且未连接,以便在需要时轻松安装和拆卸。其耐腐蚀特性使其适用于石油和天然气、化工和石化等行业的各种应用。
不锈钢短端设计用于搭接法兰。它有一个长图案,这意味着它的长度比它所连接的管道长。当用搭接法兰连接两根管道时,不锈钢短端焊接在管道的一端,搭接法兰用螺栓固定在另一端。这种布置便于对准和拆卸,便于维护和维修。
使用不锈钢短端的主要优点是其出色的耐腐蚀性,即使在恶劣的环境或输送腐蚀性流体时也是如此。它通常用于化学加工、石化、食品和饮料、制药和海洋应用等行业。
不锈钢短端有各种尺寸、壁厚和不锈钢等级可供选择,提供多功能性和适应性,以满足不同的管道系统要求。它们的可靠性、使用寿命和耐腐蚀性使其成为需要牢固耐用连接的关键应用的首选。
不锈钢短端的主要特点
高耐腐蚀性:不锈钢具有优异的耐腐蚀性,使不锈钢短端非常适合在腐蚀性环境和恶劣条件下使用。
耐用性和寿命:不锈钢以其耐用性而闻名,确保不锈钢短端在各种应用中的使用寿命和可靠性。
易于安装:不锈钢短端可以轻松焊接或连接到法兰,便于快速、直接的安装。
多功能性:不锈钢短端可与不同类型的法兰和配件一起使用,使其适用于各种管道系统。
不锈钢短端:探索其特点

不锈钢短端,顾名思义,是由优质不锈钢制成的管件。它们用于通过将管道或管子连接到法兰或其他配件来在管道或管子的末端形成非永久性密封。不锈钢短端的主要目的是方便拆卸和更换法兰,使维护和维修更加方便。
不锈钢短端的应用
不锈钢短端因其独特的性能和优势而广泛应用于各种工业应用。
石化行业
在石化工业中,不锈钢短端常用于输送各种化学品和气体的管道和配件。
食品和饮料行业
不锈钢短端广泛应用于食品和饮料行业,卫生和耐腐蚀性至关重要。
水处理厂
在水处理厂中,不锈钢短端在连接配水和处理过程的管道和配件方面发挥着至关重要的作用。
制药行业
不锈钢短端是制药设施的首选,因为它们能够保持系统的完整性并防止污染。
石油和天然气行业
在石油和天然气领域,不锈钢短端是石油、天然气和其他碳氢化合物运输管道中的关键部件。
船舶和造船
船舶工业依靠不锈钢短端来抵抗盐水腐蚀,使其适用于造船应用。
不锈钢短端的优点
耐腐蚀
不锈钢短端具有出色的耐腐蚀性,确保其在腐蚀性环境中的使用寿命和可靠性。
易于维护和维修:
其非永久性密封设计可快速方便地拆卸,使维护和维修变得无忧。
增强安全性:
不锈钢短端提供安全且防漏的连接,有助于更安全的工业运营。
多面性
它们与各种法兰和配件的兼容性使其适用于广泛的应用。
选择不锈钢短端的注意事项
在为特定应用选择不锈钢短端时,需要考虑以下几个因素:
材料等级
确保短端使用的不锈钢具有适合预期环境和应用的适当等级。
尺寸和尺寸
选择短管端部的正确尺寸和尺寸,以确保正确安装和连接。
温度限制
验证不锈钢短端的温度限制,以确保它们能够承受作条件。
结论
不锈钢短管端为连接各行业的管道和配件提供了耐用可靠的解决方案。其卓越的耐腐蚀性、易于安装和多功能性使其成为工业应用中的热门选择。无论是在石化行业、食品和饮料行业还是水处理厂,不锈钢短端在确保高效、安全运行方面都发挥着至关重要的作用。
304 和 316L 卫生级加长快速连接接头
304 和 316L 是用于卫生应用的不锈钢牌号。
这些牌号的加长快速连接配件为各个行业提供高效、卫生的连接,确保符合严格的卫生标准。
Stu 折弯几何形状
在管道系统中,短端是用于连接不同材料和尺寸管道的关键部件。它提供了一种方便且经济高效的解决方案,无需焊接即可实现无泄漏接头。在本文中,我们将探讨短端的几何形状、类型和应用,阐明它们在各个行业和项目中的重要性。
| 不适用 | 输出直径 | 高(F) | 短端外径(G) | 斜角收音机(R) |
|---|
| NPS的 | DN | 从 | 女士 | ANSI | 标称&最大值 | 标称&min | 最大值 | B 最大值 |
| 1/2 | 15 | 21.3 | 50.8 | 76.2 | 35 | 34 | 3 | 0.8 |
| 3/4 | 20 | 26.7 | 50.8 | 76.2 | 43 | 42 | 3 | 0.8 |
| 1 | 25 | 33.4 | 50.8 | 101.6 | 51 | 50 | 3 | 0.8 |
| 1 1/4 | 32 | 42.4 | 50.8 | 101.6 | 64 | 63 | 4.8 | 0.8 |
| 1 1/2 | 40 | 48.3 | 50.8 | 101.6 | 73 | 72 | 6.4 | 0.8 |
| 2 | 50 | 60.3 | 63.5 | 152.4 | 92 | 91 | 7.9 | 0.8 |
| 2 1/2 | 65 | 73 | 63.5 | 152.4 | 105 | 104 | 7.9 | 0.8 |
| 3 | 80 | 88.9 | 63.5 | 152.4 | 127 | 126 | 9.6 | 0.8 |
| 3 1/2 | 90 | 101.6 | 76.2 | 152.4 | 140 | 139 | 9.6 | 0.8 |
| 4 | 100 | 114.3 | 76.2 | 152.4 | 157 | 156 | 11.2 | 0.8 |
| 5 | 125 | 141.3 | 76.2 | 203.2 | 186 | 185 | 11.2 | 1.6 |
| 6 | 150 | 168.3 | 88.9 | 203.2 | 216 | 215 | 12.7 | 1.6 |
| 8 | 200 | 219.1 | 101.6 | 203.2 | 270 | 269 | 12.7 | 1.6 |
| 10 | 250 | 273.1 | 127 | 254 | 324 | 322 | 12.7 | 1.6 |
| 12 | 300 | 323.9 | 152.4 | 254 | 381 | 379 | 12.7 | 1.6 |
| 14 | 350 | 355.6 | 152.4 | 304.8 | 413 | 411 | 12.7 | 1.6 |
| 16 | 400 | 406.4 | 152.4 | 304.8 | 470 | 468 | 12.7 | 1.6 |
| 18 | 450 | 457.2 | 152.4 | 304.8 | 533 | 531 | 12.7 | 1.6 |
| 20 | 500 | 508 | 152.4 | 304.8 | 584 | 582 | 12.7 | 1.6 |
| 22 | 550 | 559 | 152.4 | 304.8 | 641 | 639 | 12.7 | 1.6 |
| 24 | 600 | 610 | 152.4 | 304.8 | 692 | 690 | 12.7 | 1.6 |
短管端,本质上是一根短长度的管道,其一端向外张开,另一端准备焊接到具有相同公称管道尺寸 (NPS)、材料和相似壁厚的管道上。搭接法兰,它是一种环形背衬法兰,其几何形状与滑套法兰非常相似。
短端是由两个部件组成的机械接头。
这种类型的法兰连接也称为“Van Stone”或“Vanstone 喇叭圈”,但这是一个历史术语,很少在技术或商业上使用。
短端组件

对于带喷漆的碳钢法兰的包装,我们会使用气泡膜来保护喷漆。对于未喷漆或长期运输上油的法兰,我们建议客户使用防锈纸和塑料袋以防止生锈。
短端和搭接法兰可以按照以下过程组装:
- 搭接法兰滑过并滑到短端法兰上。
- 然后使用经批准的焊接将短端法兰焊接到管轴上。程序规范 (WPS),由合格的焊工提供。搭接法兰,背衬法兰,可以围绕短端旋转,短端现在连接到管道线轴上。
- 搭接法兰的螺栓孔现在可以与具有相同 ASME 指定额定值和 NPS 的配合法兰的螺栓孔定向并对齐。
- 搭接法兰可以与 ASME B16.5、对焊、滑套、螺纹、承插焊、另一种搭接法兰覆盖的任何法兰配合。
它还可以与具有兼容螺栓尺寸的预制板法兰配合。
这意味着,而不是

双相短端和双相搭接接头,您可以有双相短端和碳钢搭接法兰。
或者您可以使用不锈钢短端和碳钢搭接法兰。还有其他双金属组合可以产生商业上更便宜的法兰组件。
近年来,双相/不锈钢和碳钢之间的价格差异已经缩小,这种做法在大型项目上变得不那么普遍,但成本差异始终存在(NPS 越高,管道/管道系统的长度越高,节省的越多)。另一方面,单个部件(即对焊法兰)的仓储成本比搭接头和短端的仓储成本需要更少的货架空间。最终用户和承包商应考虑所有这些因素,确定使用短端的实际便利性,并且通常商业优势仍然有效,并且可能适合某些情况,特别是在“棕地”改造中。
如何订购存根末端
订购存根端时应提供以下信息:
- NPS的
- 附表
- 长度(根据 MSS SP43 / ASME B16.9 / 定制规范)
- 规格和材料等级
- 端部完成
- 执行:无缝/焊接 (wx)
问:不锈钢短端适合高温应用吗?
答:是的,不锈钢短端设计用于承受高温,使其适用于广泛的应用。
问:不锈钢短端拆卸后可以重复使用吗?
答:是的,不锈钢短端的非永久密封设计便于拆卸和重复使用。
问:不锈钢短端的典型使用寿命是多少?
答:通过适当的维护和保养,不锈钢短端由于其耐腐蚀特性而可以使用多年。
问:不锈钢短端与其他类型的法兰兼容吗?
答:是的,不锈钢短端可与不同类型的法兰一起使用,为管道系统设计提供灵活性。
问:不锈钢短端可以在腐蚀性化学环境中使用吗?
答:是的,不锈钢的耐腐蚀性使不锈钢短端适用于腐蚀性化学环境。
短端的类型
短端以三种不同的方式提供,A、B 和 C 型。A 型和 B 型短端类似于锻造配件,例如弯头和三通,C 型短端采用定制尺寸。

短端有三种不同的类型和两种标准长度。
“A”型:这种类型是为适合搭接法兰而生产和加工的。短端和搭接法兰的配合面具有匹配的轮廓和表面。A型短管端部搭接厚度为>=所连接管道的最小壁厚。短端和搭接法兰的外侧具有匹配的轮廓和表面。A型短管端部搭接厚度为>=所连接管道的最小壁厚。A 型的外角具有容纳搭接法兰的半径,而内角是方形的。
“B”型:这种类型的短端适用于用作搭接法兰的标准滑套法兰。B型短端的搭接厚度为>=连接管的最小WT。这些类型的短端的搭接通常具有锯齿状面。为确保紧密连接,需要在法兰的内径侧进行倒角。
“C”型:最后一种类型既可以与搭接法兰一起使用,也可以与滑套背衬法兰一起使用,并且由管道制成。C 型短端的搭接呈扩口状,搭接厚度为连接管 WT 的 75%。C 型具有较短的圆角外半径,能够容纳任何备用法兰。
“CS”型:这种类型与“C”类似,不同之处在于搭接面在制造过程中加工了同心锯齿。
常见类型和长度
管道系统中常用的短端主要有两种类型:
- 长花纹短端:与其所连接的管道相比,长图案短端的长度更长。它设计用于标准搭接法兰。长图案使搭接法兰更容易对准和焊接,使其适合需要频繁拆卸的应用。
- 短图案短端:短图案短端的长度与它所连接的管道相似。它与滑套法兰一起使用,其中短端在管道上滑动并焊接到位。短花型短端非常适合空间有限且法兰需要靠近管道末端的应用。
长花型和短花型短端均有多种材料可供选择,例如不锈钢、碳钢、合金钢等,使其适合不同的工业应用。它们为将管道连接到管道系统中的法兰提供了经济高效且可靠的解决方案。
短端尺寸和重量
ASME B16.9 – 对焊管件和 MSS-SP-43(JIS B2312、JIS B2313 也可能适用)涵盖了尺寸和制造公差。
短端有三种标准长度,MSS SP43 或 ANSI B16.9 短型和长型。短花型短端主要用于300级至600级及以上的法兰。除了这些标准类型外,最终用户和承包商还可以要求具有非标准长度的短端,以满足特定项目的要求。这当然需要额外付费。
端部/面搭接精加工
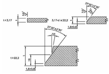
ASME B16.25 端焊坡口,如右
可以订购以下类型的端:
斜端(通常为 ASME B16.25)、
方端、
法兰端
、Victaulic 凹槽、
螺纹端(仅限外螺纹)
由于管件涵盖了管件尺寸的几个方面,因此这里只能给出最常见的管件尺寸。应用最多的版本是 90° 长半径和 45° 弯头,而如果空间太小,则应用 90° 短半径弯头。180°弯头的功能是通过180°改变流动方向。LR 和 SR 类型的中心到中心尺寸都是匹配的 90° 弯头的两倍。这些配件通常用于毛皮或其他加热或冷却装置。
下面列出了一些适用于对焊配件的标准。许多组织,如 ASME、ASTM、ISO、MSS 等,都制定了非常完善的对焊管件标准和规范。设计人员始终有责任确保他们在设计过程中遵循适用的标准和公司规范(如果有)。
一些广泛使用的管件标准如下:
- GB/T 1426-2008《炭素材料分类》:规定了炭素材料的分类方法、分类等内容,适用于冶金、电工机械、化工等工业中作为导电材料、结构材料和特殊功能材料等用途的炭素材料的分类。
- GB/T 21219-2023《磁性材料 分类》:规定了磁性材料的分类原则、分类方法及类别。
- GB/T 20671.1-2020《非金属垫片材料分类体系及试验方法 第 1 部分:非金属垫片材料分类体系》:规定了非金属垫片材料的分类方法、代码定义、厚度要求和测量方法、取样、试样调节等,适用于以石棉、软木、纤维素及其他无机或有机材料结合各种黏结剂或浸渍剂而制成的材料。
- GB/T 35608-2024《绿色产品评价 绝热材料》:规定了绿色产品、绿色标杆产品以及生产企业的评价要求,包括对生产企业的污染物排放、安全事故记录、能源消耗和管理体系的具体要求,以及针对不同产品的特点,制定了资源属性、能源属性、环境属性、品质属性和低碳属性等五大类评价指标。
- GB 175-2023《通用硅酸盐水泥》:规定了通用硅酸盐水泥的定义、分类、技术要求、试验方法、检验规则和标志、包装、运输与贮存等。
- GB/T 711-2017《热轧优质碳素结构钢钢板和钢带》:规定了热轧优质碳素结构钢钢板和钢带的订货内容、尺寸、外形、重量及允许偏差、技术要求、试验方法、检验规则、包装、标志及质量证明书等。
- GB/T 11263-2017《热轧 H 型钢和剖分 T 型钢》:规定了热轧 H 型钢和剖分 T 型钢的订货内容、尺寸、外形、重量及允许偏差、技术要求、试验方法、检验规则、包装、标志及质量证明书等。
GB/T 1527-2017《铜及铜合金拉制管》:规定了铜及铜合金拉制管的分类、标记、订货内容、尺寸、外形、重量及允许偏差、技术要求、试验方法、检验规则、标志、包装、运输、贮存及质量证明书等。
弯头尺寸需同时确认 公称直径、弯曲半径、角度 三个关键参数,常见规格如下表所示,特殊规格(如大口径、非标准角度)可定制。
材料选择需结合介质特性(如腐蚀、高温、含颗粒)和压力等级,以下是工业中最主流的材料类别及标准。
ASTM 国际美国测试与材料协会
这是世界上最大的自愿标准制定组织之一。它最初被称为美国材料与试验协会 (ASTM)。
- ASTM A105/A105M – 管道应用用碳钢锻件规范
- ASTM A234/A234M – 中高温用锻碳钢和合金钢管件规范
- ASTM A403/A403M – 锻造奥氏体不锈钢管件规范
- ASTM A420/A420M – 低温使用用锻造碳钢和合金钢管件标准规范
AWWA:美国水务协会
AWWA 关于 – 美国水务协会成立于 1881 年,是最大的非营利性、科学和教育协会,致力于管理和处理水这一世界上最重要的资源。
- AWWA C110 – 球墨铸铁和灰铸铁配件,3 英寸至 48 英寸(75 毫米至 1200 毫米),用于水和其他液体
- AWWA C208 – 装配式钢制水管件尺寸
ANSI 美国国家标准协会
ANSI 是一个私人非营利组织。其主要职能是管理和协调美国自愿标准化和合格评定体系。它为制定美国国家标准提供了一个论坛。ANSI 分配“附表编号”。这些编号对不同压力用途的壁厚进行分类。
MSS 标准:制造商标准化协会
阀门和管件行业制造商标准化协会 (MSS) 是一个非营利性技术协会,旨在开发和改进行业、国家和国际规范和标准:阀门、阀门执行器、阀门改装、管件、管吊架、管道支架、法兰和相关密封件
- MSS SP-43 – 锻造不锈钢对焊管件,包括参考其他耐腐蚀材料
- MSS SP-75 – 高测试锻造对焊管件规格
- MSS SP-73 – 铜和铜合金压力接头的钎焊接头
- MSS SP-83 – 3000 级钢管接头,承插焊和螺纹
- MSS SP-97 – 整体增强锻造分支出口配件 — 承插焊、螺纹和对焊端
- MSS SP-106 – 铸铜合金法兰和法兰管件 125、150 和 300 级
- MSS SP-119 – 工厂制造的锻造喇叭端承插焊配件
“标准”和“代码”之间的区别
管道规范意味着各种管道和管道系统的设计、制造、材料使用、测试和检查的要求。它具有代码定义的有限管辖权。另一方面,管道标准意味着管件的应用设计和施工规则以及要求,如适配器、法兰、套筒、弯头、活接头、三通、阀门等。与代码一样,它也有标准定义的有限范围。
影响标准的因素
管件的“标准”基于以下某些因素:
- 压力-温度额定值
- 大小
- 设计
- 涂料
- 材料
- 标记
- 端部连接
- 尺寸和公差
- 线程
- 花纹锥度等
BSP英标管
BSP 是英国管件标准。这是指一系列标准螺纹类型,用于通过外螺纹(外螺纹)与内螺纹(内螺纹)配合来互连和密封管端。这已被国际采用。它也称为英国标准管锥螺纹 (BSPT) 或英国标准管平行(直)螺纹 (BSPP)。虽然 BSPT 仅通过螺纹实现压密连接,但 BSPP 需要密封圈。
JIS日本工业标准
这是日本工业标准或用于日本管道、管材和管件的工业活动的标准,并通过日本标准协会发布。
NPT 国家管螺纹
国家管螺纹是美国标准直 (NPS) 螺纹或锥形 (NPT) 螺纹。这是美国最流行的管件标准。NPT 管件基于管件的内径 (ID)。
螺栓和螺母
我们是法兰螺栓和螺母的制造商,并提供高质量的产品
- A193 = 本规范涵盖用于高温或高压工况或其他特殊用途应用的压力容器、阀门、法兰和配件的合金和不锈钢螺栓材料。
- A320 = 低温使用用合金钢和不锈钢螺栓材料的标准规范。
- A194 = 许多不同材料类型螺母的标准规格。
AN 在这里,“A”代表陆军,“N”代表海军
AN 标准最初是为美国军方设计的。无论何时,管件是 AN 管件,都意味着管件是在管件的外径上测量的,即以 1/16 英寸的增量。
例如,AN 4 接头是指外径约为 4/16“ 或 1/4” 的接头。需要注意的是,近似很重要,因为外径不是与等效 NPT 螺纹的直接配合。
破折号 (-) 大小
仪表板尺寸是用于指代软管内径的标准。这用两位数字表示尺寸,该数字表示以十六分之一英寸为单位的相对 ID。这也可以与 AN 接头互换使用。例如,破折号“8”接头表示 AN 8 接头。
ISO国际标准化组织
ISO是国际标准化组织的工业管材、管材和管件标准和规范。ISO 标准已编号。它们的格式如下:
“ISO[/IEC] [IS] nnnnn[:yyyy] Title”,其中
- nnnnn:标准编号
- yyyy:发布年份,以及
- 标题:描述主题
通用标准
| 标准 | 规范 |
|---|
| ASTM A234 | 中高温用锻碳钢和合金钢管件标准规范 |
| ASTM A420 | 低温服役用锻造碳钢和合金钢管件标准规范 |
| ASTM A234 WPB | ASTM A234 WPB是指特定等级的碳钢管件,广泛用于压力管道和压力容器制造,在中温和高温下使用。 |
| ASME B16.9 | ASME B16.9 标准涵盖了尺寸为 NPS 1⁄2 至 NPS 48(DN 15 至 DN 1200)的工厂制造的锻造对焊管件的外形尺寸、公差、额定值、测试和标记。 |
| ASME B16.28 | ASME B16.28 标准涵盖了锻造碳钢和合金钢对焊短半径弯头和回位的额定值、外形尺寸、测试、公差和标记。 |
| MSS SP-97 | MSS SP-97 标准实践涵盖对焊、承插焊和螺纹型 90 度整体增强锻造分支出口管件的基本尺寸、光洁度、公差、测试、标记、材料和最低强度要求。 |
| ASTM A403 | 锻造奥氏体不锈钢管件标准规范。 |
适用于所有应用领域的广泛品种
| 从 | 在 | ASME的 |
|---|
圣 35.8 I 圣 35.8 III 15 Mo 3 13 CrMo 4 4 10 CrMo 9 10 圣 35 N 圣 52.0 圣 52.4 | P235GH-TC1 P235GH-TC2 16Mo3 13CrMo4-5 10CrMo9-10 X10CrMoVNb9-1 P215NL P265NL L360NB L360NE P355N P355NL1 P355NH | WPB WPL6 WPL3 WPHY 52 WP11 WP22 WP5 WP9 WP91 WP92 |