限流三通
棒状三通,也称为分支连接三通,是一种广泛用于管道系统的专用配件,用于引导流体从主管道流向支线。 条形三通是一种管件,用于管道系统中的清管器发射器或接收器系统,以确保清管器能够安全地通过分支。
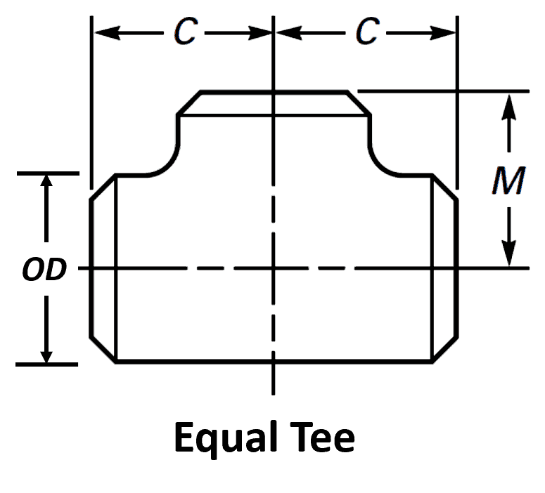
使用相等三通(等效三通或直三通),因为分支与运行管的距离相同。Equal Tee 配备用于处理通过它的任何高或低重量流体流。
等三通(或直三通),表示该三通的分支直径与该三通的主管(运行管)直径相同。
相等的三通具有相同的通道和出口尺寸,但是,客户也可以从我们“减少”的三通中获利,这些三通可能有几个尺寸不同的闭合,这称为相等三通。由于其尺寸对比度,这些三通接头有助于在需要时控制体积。我们的 Equal Tee 和 Equal Cross 范围是利用最新的创新完美构建的,并且通常用作商业企业中不同管道框架的一部分。这些管件采用最新的机器和创新,完美无瑕地制造,被广泛用作大量商业企业的一部分。这些管件质量耐用,价格具有竞争力。

对配件进行目视检查,以检查任何表面缺陷。检查管件主体和焊缝是否有任何可见的表面缺陷,例如凹痕、模痕、孔隙、底切等。根据适用标准进行验收。从仓库到您身边,我们既要速度更要靠谱!全程追踪物流、品质护货不马虎,每一次交付都较真 “说到做到”,让客户更快 更满意的拿到心仪货品
对于带喷漆的碳钢法兰的包装,我们会使用气泡膜来保护喷漆。对于未喷漆或长期运输上油的法兰,我们建议客户使用防锈纸和塑料袋以防止生锈。后期我们会根据客户的要求和实际情况 细致包装 保证客户收到完整的产品
我们的响应式服务确保时效,专业团队精准把握您的需求,以白手套级服务标准为您快速配齐所需材料。